MS300臺達變頻器PLC使用注意事項及工作原理
MS300臺達變頻器PLC工作原理簡介:
M300 內建 PLC 的功能,所提供的指令包含階梯圖編輯工具 WPLSoft、基本指令應用指令使用方法,主要均延用臺達 PLC 產品 DVP 系列的操作方式。
階梯圖編輯工具 WPLSoft
WPLSoft 為臺達電子─可程控器 DVP 系列及 MS300 在 Windows 操作系統環境下所使用之程序編輯軟件。WPLSoft 除了一般 PLC 程序的規劃及 Windows 的一般編輯功能(例如:剪下、貼上、復制、多窗口等)外,另提供多種中/英文批注編輯及其他便利功能(例如:緩存器編輯、設定、檔案讀取、存盤及各接點圖示監測與設定等)。
安裝 WPLSoft 編輯軟件的基本需求如下:
項 目
|
系 統 需 求
|
操作系統
|
Windows 95 / 98 / 2000 / NT / ME / XP
|
CPU
|
Pentium 90 以上機種
|
內存
|
16MB 以上(建議使用 32MB 以上)
|
磁盤驅動器
|
硬盤容量:至少 100MB 以上空間,光驅一部(安裝本軟件時使用)
|
顯示器
|
分辨率:640×480,16 色以上,建議將屏幕區域設定為 800×600 個像素
|
鼠標
|
一般用鼠標或 Windows 兼容的裝置
|
打印機
|
具 Windows 驅動程序的打印機
|
RS-485 埠
|
至少需有一個 RS-485 埠可與 PLC 連接
|
MS300臺達變頻器PLC工作原理 使用上需注意事項
1. MS300 提供 2 個通訊的串口來上下載 PLC 程序,如下圖所示。
2. Channel 1 (USB 埠) 通訊格式與 Channel 2 相同。
3. Channel 2 通訊格式默認為 7,N,2,9600。ASCII. 可透過參數修改 (傳輸速度由參數 09-01修改;通訊格式由參數 09-04 修改)。
4. PLC 預設為站號 2,如果想改 PLC 站號可在參數 09-35 修改,但此地址不可與變頻器地址 09-00設為一樣。
5. 上位機可以同時變頻器和內部 PLC 存取資料,實現方式為透過站號的識別,例如如果變頻器站號為 1 而內部 PLC 站號為 2,則上位機命令為01(站號) 03(讀取) 0400(地址) 0001(1 筆),表示要讀取變頻器參數 04-00 的資料02(站號) 03(讀取) 0400(地址) 0001(1 筆),表示要讀取內部 PLC X0 的數據
6. 上/下傳程序時,PLC 程序將停止動作。
7. 使用 WPR 指令時請注意,如果是用在寫入參數的部份,則容許改值次數限于 10 的 6 次方內否則會發生內存寫壞的情形。次數的計算以寫入值是否變更為依據。若寫入值不變,在下一個執行時,次數不累加;若寫入值與上次不同時,則計算為一次。
8. 將參數 00-04 設定為 28 時,顯示的值為 PLC 緩存器 D1043 之值,如下圖所示:

9. 在 PLC Run 及 PLC Stop 模式下,參數 00-02 設定內容 9 與 10 不能做設定,也就是不能重設回出廠值。
10. 參數 00-02 設為 6 時,可以恢復 PLC 到出廠值。
11. 當 PLC 有寫到輸入接點 X 時,所對應的 MI 功能會無作用。
12. 當 PLC 有控制變頻器運轉時,則控制命令完全由 PLC 控制而不理會參數 00-21 的設定。
13. 當 PLC 有控制變頻器頻率(FREQ 指令),則頻率命令完全由 PLC 控制而不理會參數 00-20 的設定和 Hand ON/OFF 的組合。
14. 當 PLC 有控制變頻器運轉時,如果此時 Keypad 設定 Stop 有效,則會觸發 FStP 錯誤并停車。
MS300臺達變頻器PLC工作原理 開始啟動
計算機聯機 Connect to PC
請依下面四個步驟開始操作 PLC 功能在數字操作器 KPC-CC01 (選配) 按 MENU 鍵選擇 4:PLC 功能后,按下 ENTER 鍵。如下圖所示。
1. 接線:請將變頻器 RJ-45 通訊接口經由 RS485 與計算機聯機。
2. 執行 PLC 功能方式

? 當外部多功能輸入端子(MI1~MI7)設定為 PLC Mode select bit0 (51)或 PLC Mode selectbit1(52)時,端子接點導通(close)或斷路(open) 時,會強制切換 PLC 的模式,此時 Keypad 的切換無效。而對應如下:
MS300 數字操作器執行 PLC 功能方式
? 當 PLC 頁面切換到 PLC1 頁面時,會觸發一次 PLC 執行,并且可經 WPL 由通訊控制PLC 程序執行/停止。
? 當 PLC 頁面切換到 PLC2 頁面時,會觸發一次 PLC 停止,并且可經 WPL 由通訊控制PLC 程序執行/停止。
? 外部端子控制方式如同上表所述。
NOTE
? 當輸出/輸入端子(MI1~MI7 Relay1)有被編寫至 PLC 程序里,這些輸出/輸入端子將只被 PLC 使用。舉例來說,PLC執行時(PLC1或PLC2),當PLC程序中有控制到Y0時,對應的輸出端子Relay(RA/RB/RC)就會跟著程序動作。此時多功能輸入/輸出端子的設定會無效,因為這些端子的功能已經被 PLC 所使用,可參考參數 02-52、02-53、03-30 看看哪些 DI / DO / AO 已被 PLC 所占用。
? 當 PLC 程序中有使用到特殊緩存器 D1040 時,其對應的 AO 接點 AFM1 則會被占用。
? 參數 03-30 為監控 PLC 功能模擬輸出端子動作狀態,其 bit0 對應為 AFM1 動作狀態。
MS300臺達變頻器PLC工作原理 I/O 裝置對應說明
MS300臺達變頻器PLC工作原理 程序編寫
安裝完成后,WPLSoft 程序將建立在指定的默認子目錄 " C:\Program Files\Delta IndustrialAutomation\WPLSoft x.xx " 下。此時直接以鼠標點取 WPL 圖標按鈕(ICON)即可執行編輯軟件。
三秒鐘后出現 WPL 編輯器窗口(如下圖),第一次進入 WPLSoft 時且尚未執行『開啟新文件』時,窗口在功能工具欄中只有『檔案 (F)』、『通訊 (C)』、『檢視(V )』、『設定 (O)』與『說明 (H)』欄。
第二次進入 WPLSoft 后則會直接開啟最后一次編輯的檔案并顯示于編輯窗口。舉下圖作為為WPLSoft 編輯軟件窗口說明:
點選畫面左上功能功具列中 圖標按鈕:開啟新檔 (Ctrl+N)
也可從 “檔案(F)”=> 開新檔案(N) Ctrl+N
點選后會出現“機種設定”窗口,請設定項目標題、文件名、并選擇目前使用的機種類別、機種設定及通信設置。
通信設置:依所需的通訊方式進行設定。
設定完成后并按下確認,則可開始進行程序的編輯;編輯程序的方式有兩種,可自行決定選擇利用指令模式或是階梯圖模式進行編輯。
在階梯圖模式中可利用功能圖標列中的按鈕進行編輯程序。

基本操作
范例:輸入下圖階梯圖例
鼠標操作及鍵盤功能鍵(F1~F12)操作
1. 建立新檔案后進入以下畫面:
2. 鼠標點選常 開開關 圖示 或按功能鍵 F1:
3. 出現輸入設備名稱與批注對話框后便可選取裝置名稱(例:M )、裝置編號(例:10)及輸入批注(例:輔助接點),完成后即可按下確定鈕。
4. 點選輸出線圈圖示 或按功能鍵 F7,出現輸入設備名稱與批注對話框后選取裝置名稱(例:Y )、裝置編號(例:0)及輸入批注(例:輸出線圈),完成后即可按下確定鈕。
5. 點選應用命令圖示 或按功能鍵 F6,在功能分類字段中點選「所有應用命令」,在應用命令下拉選單中點選 END 指令或于該字段直接鍵盤鍵入“END”后按下確定鈕。
6. 點選 圖示,將編輯完成的階梯圖作編譯轉換成指令程序,編譯完成后母線左邊會出現步級數(steps)。
MS300臺達變頻器PLC工作原理 程序下載
在 WPLSoft 輸入程序后,選擇編譯 。編譯完成后請選擇 下載程序。WPLSoft 將依照設定選項中通信設置之通訊格式與聯機之 PLC 做程序下載。
MS300臺達變頻器PLC工作原理 程序監控
當確定 PLC 是在 RUN 模式下,下載程序后,點選 在通訊選單中選擇階梯圖監控開始,如下圖所示:

MS300臺達變頻器PLC工作原理 階梯圖基本原理
PLC 之階梯圖程序掃描之示意圖
階梯圖簡介
階梯圖為廣泛應用在自動控制的一種圖形語言,這是沿用電氣控制電路的符號所組合而成的一種圖形,透過階梯圖編輯器畫好階梯圖形后,PLC 的程序設計也就完成,以圖形表示控制的流程較為直觀,易為熟悉電氣控制電路的技術人員所接受。在階梯圖形很多基本符號及動作都是根據在傳統自動控制配電盤中常見的機電裝置如按鈕、開關、繼電器(Relay)、定時器(Timer)及計數器(Counter)等等。PLC 的內部裝置:PLC 內部裝置的種類及數量隨各廠牌產品而不同。內部裝置雖然沿用了傳統電氣控制電路中的繼電器、線圈及接點等名稱,但 PLC 內部并不存在這些實際物理裝置,與它對應的只是 PLC 內部存儲器的一個基本單元(一個位,bit),若該位為 1 表示該線圈受電,該位為 0 表示線圈不受電,使用常開接點(Normal Open, NO 或 a 接點)即直接讀取該對應位的值,若使用常閉接點(Normal Close, NC 或 b 接點)則取該對應位值的反相。多個繼電器將占有多個位(bit),8 個位,組成一個字節(或稱為一個字節,byte),二個字節,稱為一個字(word),兩個字,組合成雙字(doubleword)。當多個繼電器一并處理時(如加/減法、移位等)則可使用字節、字或雙字,且 PLC 內部的另兩種裝置:定時器及計數器,不僅有線圈,而且還有計時值與計數值,因此還要進行一些數值的處理,這些數值多屬于字節、字或雙字的形式。由以上所述,各種內部裝置,在 PLC 內部的數值儲存區,各自占有一定數量的儲存單元,當使用這些裝置,實際上就是對相應的儲存內容以位或字節或字的形式進行讀取。
常用的控制回路
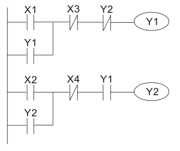
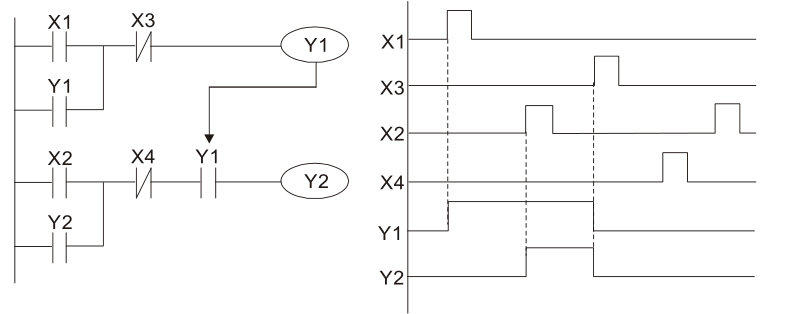
范例 4:條件控制
X1、X3 分別啟動/停止 Y1,X2、X4 分別啟動/停止 Y2,而且均有自保回路。由于 Y1 的常開接點串聯了 Y2 的電路,成為 Y2 動作的一個 AND 的條件,所以 Y2 動作要以 Y1 動作為條件,Y1 動作中 Y2 才可能動作。
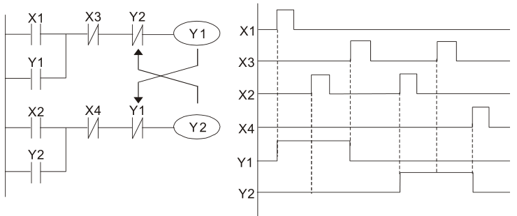
范例 5:互鎖控制
下圖為互鎖控制回路,啟動接點 X1、X2 那一個先有效,對應的輸出 Y1、Y2 將先動作,而且其中一個動作了,另一個就不會動作,也就是說 Y1、Y2 不會同時動作(互鎖作用)。即使 X1,X2 同時有效,由于階梯圖程序是自上而下掃描,Y1、Y2 也不可能同時動作。本階梯圖形只有讓 Y1 優先。
范例 6:順序控制
若把范例 5 “互鎖控制” 中 Y2 的常閉接點串入到 Y1 的電路中,作為 Y1 動作的一個 AND 條件(如下圖所示),則這個電路不僅 Y1 作為 Y2 動作的條件,而且當 Y2 動作后還能停止 Y1的動作,這樣就使 Y1 及 Y2 確實執行順序動作的程序。

范例 7:振蕩電路
周期為 ?T+?T 的振蕩電路下圖為一個很簡單的階梯圖形。當開始掃描 Y1 常閉接點時,由于 Y1 線圈為失電狀態,所以Y1 常閉接點閉合,接著掃描 Y1 線圈時,使之受電,輸出為 1。下次掃描周期再掃描 Y1 常閉
接點時,由于 Y1 線圈受電,所以 Y1 常閉接點打開,進而使線圈 Y1 失電,輸出為 0。重復掃描的結果,Y1 線圈上輸出了周期為 ?T(On)+?T(Off) 的振蕩波形。
周期為 nT+?T 的振蕩電路
下圖的階梯圖程序使用定時器 T0 控制線圈 Y1 的受電時間,Y1 受電后,它在下個掃描周期又使定時器 T0 關閉,進而使 Y1 的輸出成了下圖中的振蕩波形。其中 n 為定時器的十進制設定值,T 為該定時器時基(時鐘周期)。
范例 8:閃爍電路
下圖是常用的使指示燈閃爍或使蜂鳴器報警用的振蕩電路。它使用了兩個定時器,以控制 Y1線圈的 On 及 Off 時間。其中 n1、n2 分別為 T1 與 T2 的計時設定值,T 為該定時器時基(時鐘周期)
范例 9:觸發電路
在下圖中,X0 的上升緣微分指令使線圈 M0 產生 ?T(一個掃描周期時間)的單脈沖,在這個掃描周期內線圈 Y1 也受電。下個掃描周期線圈 M0 失電,其常閉接點 M0 與常閉接點 Y1 都閉合著,進而使線圈 Y1 繼續保持受電狀態,直到輸入 X0 又來了一個上升緣,再次使線圈 M0受電一個掃描周期,同時導致線圈 Y1 失電…。其動作時序如下圖。這種電路常用于靠一個輸入使兩個動作交替執行。另外由下時序圖形可看出:當輸入 X0 是一個周期為 T 的方波信號時,線圈 Y1 輸出便是一個周期為 2T 的方波信號。
范例 10:延遲電路
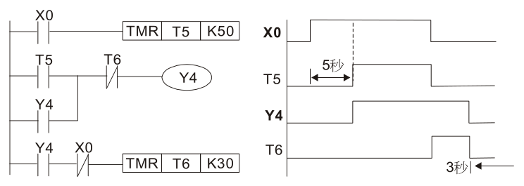
當輸入 X0 On 時,由于其對應常閉接點 Off,使定時器 T10 處于失電狀態,所以輸出線圈 Y1受電,直到輸入 X0 Off 時,T10 得電并開始計時,輸出線圈 Y1 延時 100 秒(K1000*0.1 秒=100 秒)后失電,請參考下圖的動作時序。

范例 11:通斷延遲電路,使用兩個定時器組成的電路,當輸入 X0 On 與 Off 時,輸出 Y4 都會產生延時。
范例 12:延長計時電路
在左圖電路中,從輸入 X0 閉合到輸出 Y1 得電的總延遲時間=(n1+n2)*T,其中 T 為時鐘周期。 定時器:T11、T12;時鐘周期:T。
以上MS300臺達變頻器PLC使用注意事項及工作原理,如需了解更多,請聯系我們的客服。